Шпунт Ларсена

Фильтр

Шпунт Ларсена – профилированные металлические листы корытного типа со стандартизированными замками по длинным сторонам. Благодаря особой форме и повышенной прочности изобретения Тригви Ларсена (нем. Tryggve Larssen) используются для решения широкого спектра строительных задач. Купить шпунт Ларсена вы можете у нас по выгодной цене.

Главная конструкционная особенность шпунта – вставляемые друг в друга соединительный гребень и паз по разным сторонам изделия. С их помощью и формируется замковое соединение для сплошного ограждения, формируемого из отдельных секций. Изделия погружают в грунт одно за другим – следующее соединяют с предыдущим, поворачивая его на 180° для закрытия монтажного замка. Горячекатаные и холоднкатаные шпунты Ларсена отличаются высокой устойчивостью к коррозии.

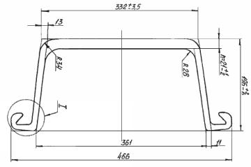
Шпунты Ларсена представляют собой профилированные металлические изделия формы схожей с желобом, максимальная длина которых доходит до 34 метров, а ширина – до 0,8 метров. На его боковых поверхностях (гранях) расположены замки для соединения нескольких элементов в единую герметичную стену. Толщина металла варьируется от 9,5 до 23 миллиметров, причем боковые стенки – более тонкие в сравнении со средней частью.

Шпунты Ларсена, производством (горячей прокаткой) которых начал заниматься изобретатель Тригви Ларсен в 1912 году, классифицируют по форме сечения и типу замка. Они могут быть изготовлены:

  • u-образными (корытообразные);
  • z-образными;
  • ω-образными (трубные или трубчатые);
  • плоскими.

Из всей разновидности металлического шпунта у нас представлено большинство изделий.

Сечение подбирается в зависимости от задачи. Для ограждения строительных котлованов выбираются одни марки шпунта, а для укрепления дороги, береговой линии или промышленного объекта – уже другие. Важно также провести определение характеристик грунта. Допускается комбинирование различных профилей для получения более прочных стенок в тех или иных условиях.

Здесь можно найти товар разных марок:

Исходя из того, сколько метров должна быть ограждающая герметичная конструкция, можно рассчитать нужный объем шпунта.

Горячекатаные и холоднокатаные шпунты Ларсена

Первые получают форму в процессе изготовления выполненной из расплавленного металла заготовки – т.е. отлитые полосы сразу же прокатываются под необходимые размеры. Холоднодеформированные – прокатываются через станок.

Сферы использования шпунта Ларсена

Шпунт Ларсена, стыкующийся замок в замок, широко применяется при ведении строительных и ремонтных работ в сложных условиях. Ограждая территорию, его применяют для укрепления котлованов, грунтов, насыпей, туннелей, а также защиты береговой линии водоемов. Он незаменим при строительстве гидротехнических и очистных сооружений, свалок, реконструкции зданий и прочих объектов.

Герметичные конструкции из профиля, обеспечивающие хорошую водонепроницаемость, используются также для разделения вод и грунтов, предотвращения обвалов. Он необходим при устройстве подземных частей зданий и сооружений на слабонесущих, сыпучих и мягких грунтах, в том числе при высоком уровне грунтовых вод.

Прочность стали и профиль проката обеспечивают многократность применения. Шпунт Ларсена купить можно как новый, так и бывший в употреблении.

Большой сортамент материалов позволит вам выбрать изделия, необходимые для решения конкретной задачи. Позвонить нам, чтобы приобрести шпунт Ларсена, можно по телефону в шапке сайта.

Самые популярные виды шпунта Ларсена

Производители выпускают множество различных видов шпунта. Наиболее распространенным является корытообразный профиль. Также существуют другие формы:

  • s-профили;
  • l-профили;
  • z-профили.

Наиболее используемые виды шпунта Ларсена в ассортименте представлены в нашем каталоге.

Шпунт Ларсена Л4

Отличающийся высокой прочностью пазогребневых (Ω) замков, расположенных на боковых краях, шпунт Л4 используется для разработки и ограждения котлованов, строительства мостов и опор, укрепления насыпей, дорог, береговых линий. Это длинный (до 34 метров), но узкий (436-549 миллиметров) металлический профиль, изготавливаемый из высокоуглеродистых сталей марок СТ3КП и 16ХГ. Вес одного погонного метра шпунта Л4 – 74,0 кг

Свойства шпунта Ларсена Л4 таковы, что его используют при строительстве объектов любой сложности:

  • вес шпунта Ларсена Л4 меньше чем у Л5 и Л5-УМ – 74 кг на погонный метр;
  • длина – 4 000-22 000 мм;
  • широта – 400 мм;
  • высота – 359 мм;
  • толщина стенки – 400 мм.

Лист цинкуется или покрывается антикоррозийной грунтовкой и эмалью, чтобы улучшить его антикоррозийные свойства и увеличить срок службы.

У шпунтов Ларсена Л4 есть аналоги – сваи VL606 и их подвид монолитный подвид VL606a, их делает чешский завод по производству изделий из стали Vitkovice Steel. Малый вес шпунтов этого типа и устойчивость металла Л4 к коррозии отлично подходят для строительства гидротехнических инженерных сооружений. При правильном монтаже и деликатном извлечении изделия металлические шпунты vl606 способны выдержать более 10 погружений без потери своих качественных показателей. Шпунт Л4, а также другие типы шпунта из стали любого веса можно заказать в нашей компании, доставка осуществляется по Казахстану.

ШПУНТЫ ЛАРСЕНА ТИПА Л5

Л5 превосходит Л4 по прочностным и некоторым другим специальным техническим свойствам шпунта. Стена из Л4 способно выдерживать высокое давление за счет крепкого соединения замков между собой. Монтаж шпунта Л5 осуществляется специальными молотами и вибропогружателями для шпунта. Шпунтины соединяются между собой боковым гребнем, оснащенного замком, благодаря этому полностью собранная конструкция защитного каркаса котлована может принимать любую нужную вам форму. Толщина стенки изделия из стали составляет 21 мм, а длина шпунтины варьируется от 5 до 12 метров, при этом нужно учитывать, что из общей длины нужно вычесть 50 сантиметров, т.к. после забивки шпунт должен выступать над поверхностью.

Шпунт Ларсена марки Л5 производят из углеродистой стали марки СТ3СП, отличающейся высокой прочностью, методом горячего проката или штамповки.

Основные параметры Л5:

  • вес – 100 кг на погонный метр;
  • длина – 5 000-24 000 мм;
  • широта – 420-425 мм;
  • высота – 337 мм;
  • стенки – 344 мм.

Сфера применения шпунтов Ларсена Л5 в строительстве и укреплении грунтов широка:

  • по обустройству периметра котлованов и траншей;
  • ;по строительству набережных и защите береговых линий;
  • по строительству укреплений для нестабильных склонов и укреплению берега шпунтом и насыпей;
  • по строительству гидротехнический сооружений (причалов, плотин и пирсов);
  • по строительству коллекторов, свалок, очистных сооружения и многого другого.

Модели марки Л5 изготавливают из специальной высокоуглеродистой стали марки СТ3КП и аналогичных типов стали. Вес погонного метра шпунта Л5 – 100 кг. Стоимость шпунта Л5 начинается от 60 000 рублей.

Основной аналог – модель VL607 от завода Vitkovice Steel, одного из ведущих производителей изделий из стали. Аналог шпунта может быть отличной альтернативой и может применяться для всех видов, указанных выше. Оформить поставку шпунта Ларсена или его аренду по рыночной цене в Казахстане можно в нашей компании.

ШПУНТЫ ЛАРСЕНА ТИПА Л5-УМ

Сваи марки «Л5УМ» – это профили корытообразной формы, усовершенствованная версия Л5. Его производят из специальной высокоуглеродистой стали классов С285 и 255 или стали, легированной медью. Модель Л5 подходит для любых задач, в которых важна надежность , герметичность конструкции этого типа обеспечивающая высокую прочность за счет пазогребневых замков, сделанных из высокопрочной стали. Есть как мерный (от 12 до 24 метров в длину), так и немерный тип (начиная с 5 метров), толщина составляет 23 мм.

Шпунт марки Л5-УМ изготавливают из углеродистой стали класса С255 или C285 с добавлением легированной медью стали, чтобы придать готовому изделию повышенную устойчивость к электрохимической коррозии.

Аналогом Л4 является импортный профиль VL606, производимый чешской компанией Vitcovice Steel из стали S270GP.

Шпунт Ларсена Л5

Профиль Л5 превосходит Л4 по прочностным и некоторым другим техническим характеристикам. Стенка из свай Л4 способна выдерживать высокое давление за счет крепкого соединения профилей между собой.

Шпунт Ларсена Л5 используются для ограждения:

  • котлованов;
  • траншей;
  • береговых линий и нестабильных склонов;
  • насыпей и автострад;
  • причалов, плотин и пирсов;
  • коллекторов, очистных сооружения и многого другого.

Шпунтовой профиль изготавливается из высокоуглеродистой стали марки СТ3КП и аналогичных. Вес погонного метра шпунта Л5 – 100 кг. Стоимость шпунта Л5 начинается от 60 000 рублей за тонну.

Основным аналогом является модель VL607.

Шпунт Ларсена Л5-УМ

Шпунт Ларсена под названием «Л5УМ» – это профиль корытообразной формы, являющийся усовершенствованной версией Л5. Производится из высокоуглеродистой стали классов С285 и 255 или стали, легированной медью. Есть как мерный (от 12 до 24 метров в длину), так и немерный профиль (начиная с 5 метров).

Используется относительно для того же, для чего и Л5. Но выделяется своими преимуществами:

  • еще более высокая прочность (сопротивление шпунтовой стены длиной 1 метр – не менее 3500 см³);
  • универсальность (устанавливается в любой тип грунта, в том числе скальный);
  • возможность многократного применения для создания герметичного ограждения (не теряет своих свойств после 15-20 применений).

Вес погонного метра шпунта Л5-УМ – 114 кг. Зарубежным аналогом являетя шпунт VL605.

Способы погружения свай

Металлическую сваю обычно погружают в грунт одним из 3 способов. Процесс выполняется с помощью специальной техники.

Статическое вдавливание

Шпунтовой профиль вдавливается под воздействием статической нагрузки от гидравлической установки, которая способная сама передвигаться по верху шпунта. Для проведения работы требуется всего один кран для подачи металлопрофиля. Методом такого вдавливания погружаются элементы различных форм.

Динамическая забивка

Монтаж профилей Ларсена методом забивки осуществляется под воздействием динамической нагрузки от копровой дизельной или гидравлической установки.

Металлическую сваю этим способом можно погружать в любой грунт, кроме скального. Работы по ограждению разрешено производить рядом с другими объектами. Для понижения уровеня вибрации и нагрузки на шпунтовые профили, а также в целях обеспечения корректного погружения шпунтовых стенок до проектной глубины используются дополнительные технологии:

В зависимости от грунта в ряде случаев могут применяться комбинированные технологии погружения балок – ударно-вибрационная, вибровдавливание.

Погружение виброустановкой – вибропогружение

Элемент или секция погружается под воздействием вибрации – почва резко теряет сопротивление погружению при сообщении вибрации.

У нас вы можете взять в посуточную или помесячную аренду вибропогружатель по низкой цене.

Как выбрать способ монтажа?

Как определиться с вариантом монтажа шпунтовых профилей? Способы установки арматуры подбираются в зависимости от особенностей объекта – глубины погружения и характеристик грунта. Возможен монтаж как поэлементно, так и секциями до 7 единиц.

На выбор метода влияет и наличие расположенного рядом фундамента. В большинстве случаев элемент забивают с помощью статического погружения или вибро из-за плотной застройки.

Извлечение металлопроката

Использование крана – малоэффективная процедура, так как ослабить силу трения, свойственную грунту, возможно только в случае применения коротких амплитуд колебания. Поэтому выемка металлических свай чаще всего осуществляется с помощью виброустановки.

Шпунтовой профиль, вытащенный из грунта таким способом, можно использовать до 20 раз без потери его свойств. Таким образом, актуальным получается обратный выкуп элементов.

Купить шпунт Ларсена различных поставщиков в Казахстане по низкой цене

Купить данный вид шпунта вы всегда можете в нашей компании. Мы ежемесячно отгружаем на объекты по всей России более 2 тонн шпунта. В наличии имеются модели различных типов и размеров по доступным ценам. «Шпунтовой Оператор» сотрудничает с проверенными производителями: Arcelor Mittal, Vitkovice Steel, ZIZHU и др.

Мы предлагаем:

  • продажу, аренду и доставку шпунта Ларсена, выдерживающего высокие нагрузки;
  • приемлемую стоимость изделий;
  • высокие стандарты контроля качества поставок, которые не позволяют усомниться в товаре;
  • высокое качество листов проката из лучших марок стали (регламентируется ГОСТами, а также рядом ТУ);
  • сваи из поливинилхлорида, полимерных и композитных материалов различных параметров;
  • большой сортамент изделий импортных и отечественных производителей различной длины и ширины;
  • индивидуальный подход к каждому клиенту и монтажу шпунтовых ограждений (секций);
  • изготовление стальных профилей под заказ;
  • проектные изыскания, которые составляют опытные специлисты;
  • доставку заказа на строительную площадку собственным транспортом «под ключ»;
  • гибкую систему скидок;
  • дополнительную обработку профиля при необходимости;
  • обратный выкуп шпунтовых профилей по высокой цене.

Стоимость шпунта Ларсена в нашем магазине

Рассчитать вес и объем и сравнить стоимость шпунта Ларсена и его аналогов различных производителей в нужном объеме вы можете с помощью удобного калькулятора, расположенного чуть выше. Оформить поставку шпунтовых свай можно по телефону или электронной почте, а также через форму обратной связи. К заявке можно приложить расчеты.

На складе всегда поддерживается большой объем шпунтового материала! Оптовикам предлагаем хорошие скидки и персональные предложения. Закажите бесплатный звонок онлайн, чтобы удостовериться в этом.

ООО «Шпунтовой Оператор» – крупнейший продавец горячекатаных и холоднокатаных шпунтов России и Казахстане, реализующий более 2000 тонн проката ежемесячно. С нами поиск материала – не проблема. Обращайтесь к нам за всеми разновидностями шпунта Ларсена и его модификациями! Также наши специалисты осуществляют шпунтовые работы по низкой стоимости: извлечение, забивку и вдавливание шпунта, ограждение и устройство котлованов, сварку шпунта и т.д.

Мы предлагаем аренду автокрановаренду вибропогружателейаренду установок статического вдавливания шпунтааренду ямобуроваренду экскаваторов-погрузчиков и прочей спецтехники на любой срок.

Доставка шпунтовых профилей

Мы осуществляем доставку шпунта Ларсена 2 видами транспорта:

  • автомобильным;
  • железнодорожным.

Стоимость доставки вы можете уточнить по телефону 8-800 777-75-26.

  • Простой монтаж при формировании ограждений

  • Возможность неоднократного применения

  • Высокая надежность, устойчивость к износу и практичность

  • Высокая устойчивость к саморазрушению металла и образованию коррозий

  • Идеальное соотношение цены/качества

  • Обеспечение безопасности проведения строительства на любых видах почвы

  • Широкий сортамент металлопроката

  • Способность выдерживать большие нагрузки

  • Предотвращение возникновения оползней

  • На собственном складе – всегда широкий ассортимент шпунта любого размера и назначения, как нового так и бывшего в употреблении. Вся продукция соответствует требованиям ГОСТ. Толщина стенок ( в мм), длина, вес погонного метра шпунта (в кг), прочность и тип сечения, а также другие характеристики зависят от вида профиля.

  • Только прямые поставки шпунта всех категорий от производителей прямо с заводов России, Чехии, Польши, Люксембурга и Китая по лучшим ценам.

  • Собственный цех по обработке и восстановлению шпунта и большой склад с изделиями всех возможных маркировок и марок.

  • Значительный и разнообразный опыт как в разработке проектов, так и в их реализации.

Получить коммерческое предложение

Оставьте свои контактные данные и мы свяжемся с вами в ближайшее время, чтобы выслать коммерческое предложение и ответить на ваши вопросы